Introduction
In this tutorial we will show how the expansion chamber in Fig. 1 is modeled and analyzed in ADEM. Only the basic steps for making an acoustic model, inputting its data, and computation of acoustic performance parameters are explained. ADEM has many further capabilities, but it is not practicable to cover them all here. Please write to the author if you are interested in specific demonstrations.

Acoustic analysis: Basic steps
Step 1: Create system files
System data are stored in two files xxx.dat1 and xxx.dat2., where xxx denotes the job name. Job names may be given according to Windows’ long file name conventions. To create these files, first you click on File/New option on main menu of ADEM interface. Then you have two options to proceed:
(1) The New\Browser option opens Windows’ file browser (Fig. 1a) for you to choose a directory anywhere in your computer. The created files can be opened later by going to that directory from the File\Open\Browser menu and selecting the two job files.
(2) The New\Directory option opens the form shown in Fig. 1b. When you click on the button labeled Create, the data files are initialized in directory c:\adem\ademwdb, which is created during installation of ADEM, with the specified job name. Files stored in this directory can be opened later directly from File\Open\Directory by selecting the job name from a drop-down list.
For this tutorial, let us name the system ‘Tutorial 1’. The program will create two files, Tutorial 1.dat1 and Tutorial 1.dat2, in the selected directory and the name of the system will be displayed in the caption of the main menu window.
Video 1 shows how system files are created and opened in the default directory c:\adem\ ademwdb and also in an arbitrary directory, in this case, c:\Users\erkan\OneDrive.


Step 2: Input reference data
Two important concepts in acoustic modeling in ADEM are the reference section and the reference operational point of the system. The cross-sectional area at the reference section and the fluid machine’s rotational speed at its reference operational point are specified in the Reference Dialogue (Fig. 2). Also specified in this dialogue are the average values of the mean flow velocity, the mean temperature and the mean pressure at the reference section at the reference operational point. In exhaust and intake systems, the reference section is usually taken at the open end of the system, because the values of these parameters are estimated or measured relatively easily there. For a steady running fluid machine, input for the rotational speed at the operation point is not required. For an unsteady running (run up or run down), it can be any speed in the speed range of the engine. The mean flow velocity at the reference section may be input directly, or indirectly as either Mach number or rate of mass flow or volumetric efficiency, the last option being pertinent in reciprocating engine applications. The reference mean flow velocity (or its alternatives) is a signed quantity. A positive input means that the mean flow is in the positive direction of the acoustic flow at the reference section. The latter is determined by the direction of the arrow at the node representing the reference section in the block diagram of the system (see Step 3). In general, in view of the sign convention used in ADEM for the acoustic flow direction in two-port elements, the sign of the reference mean flow velocity is positive at an exhaust outlet, and negative at the an intake inlet.
The Reference Dialogue is shown in Fig. 2 in the Frequency Analysis mode (the default). The fluid options, and the open end Radiation model options are selected from drop-down lists. The checkbox labeled Room constant should be checked only when radiation is into a diffuse or reverberant acoustic field. No user input is necessary for the Radiation node., it will be input by the program when a block diagram is assembled (step 3). Notice the Help button on the dialogue. You will see this button in all forms of ADEM. By clicking on a Help button, you access the Help topic containing information about the use of the form and the definitions of the parameters in it. On-line Help topics can be accessed also from the main menu.
Video 2 shows how the Reference Dialogue is used for the expansion chamber in Fig. 1 Recall that we neglect the mean pressure losses in this system.

Thermodynamic properties of the working fluids are computed as functions of temperature and pressure in elements.
Step 3: Construct a block diagram model of the system
Before modeling a system, it is necessary to explode it into an assembly of components that have acoustical models in ADEM. For this reason, it is recommended that, before proceeding with this step for the first time, the on-line Help pages containing information about the types and variety of the in-built elements are scrutinized. Video 3 shows how you can access these pages from the main menu.
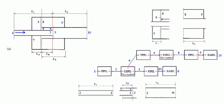
ADEM usually provides more than one way of exploding a system into components. For the chamber in Fig. 1, assuming chamber walls are hard, some options are shown in Fig. 3. The model in the first line is already discussed in the adem-edu tutorial, however, we may now use modal (three-dimensional) elements, or model the chamber proper as a UserMacro (element 45), which may represent the cascade of two-port elements 5,2 and 4, or the assembly of three-port elements 46 and 47, as indicated in Figure 3. ADEM also has several elements for modeling commonly used chambers without having to explode them into ducts. For example, element 1 models an expansion chamber with overlapping or non-overlapping extended inlet and outlet pipes. This is a hybrid element, that is, it can be used as one-dimensional or three-dimensional element.

Block diagrams are drawn on the multi-layered graphical System Modeling Interface (SMI) of ADEM by simple mouse actions. The process is shown in Video 4 for the expansion chamber model in Fig. 3 for the three-dimensional case with open area-changes. Other block diagrams are drawn similarly.
Step 4: Input element data
In sequel to Video 4, Video 5 illustrates how data are entered in the datasheets of the elements. When opened for the first time, element datasheets display tentative values for some parameters. All lengths are input as positive values, but the program may change the sign of some in order to comply with the internal sign conventions. The mean temperature and the mean pressure in elements are input only for the reference operational point (see Step 2) and no input is required for the mean flow velocity. Note that the modal characteristics of elements 71 and 72 are calculated by using the Modal Analysis interface of ADEM.
Auxiliary calculations
Element data input is supported by several calculators, which are accessed from the Tools/Calculators option of the main menu. The Scientific Calculator is a powerful general purpose calculation interface in APL language and can access global variables and functions of the source code. The Temperature Drop Calculator is used for the estimation the mean temperature gradients in pipes. The Back Pressure Calculator runs along with acoustic calculations and generates pressure drop charts for the system. The End-correction Calculator may be used In one-dimensional acoustic models of area discontinuities to apply a heuristic ‘correction’ to the length of the smaller pipe in order to account for the effect of the neglected evanescent modes. For example, it suggests that the lengths of the inlet and outlet pipes of the chamber in Fig. 1 should be extended into the chamber by 16.5 mm. In the present tutorial, the application of end corrections is left as an exercise for the reader.
Step 5: Define the analysis frequencies
The frequency range of the analysis is input by using the Frequency datasheet, as shown in Video 6. When there is a source, the analysis frequencies must be compatible with the source spectrum range and resolution.
Step 7: Compute
To calculate a parameter not requiring a source definition: (Reflection Coefficient, Acoustic Impedance, Transmission Loss, Attenuation, Noise Reduction, Transfer Matrix, etc.)
The system block diagram need not have any source association. If there is, it will be ignored. Video 7 shows computation of the Transmission Loss of the chamber. Note that the first non-zero frequency of the transverse mode of the chamber is 2060 Hz, and those of the side branch sections are 1440 Hz and 2881 Hz (which are determined from Modal Analysis, Video 5).
To calculate a parameter requiring a source definition: (Acoustic Power, Insertion Loss, Sound Pressure Level, Source Plane Index, etc.)
If there is only one one-port source, apply it implicitly (see Modeling). The block diagram of the system must not have SourceMacro. If it has, you can apply only a single spectral source.
If there are multiple one-port spectral sources, model them as SourceMacro. The source system can be reduced to a single one-port spectral source by using the Equivalent Source calculator. Then you can delete the SourceMacro and use the implicit method.
The system may also have a two-port source, with or without an implicit one-port source or a SourceMacro.
Analysis of a folded chamber
The following video illustrates how the folded chamber considered in the adem-edu tutorial can be modeled and analyzed in ADEM.
